

倘若您有什么疑問或是對我公司有任何
的意見和建議都可通過:
的意見和建議都可通過:
公司名稱: 鞏義市西村鎮華豐給排水材料廠
公司地址: 河南省鞏義市西村開發區
電話: 0371-64033589
手機: 18638168566,13683712868
13783416000(技術)
聯系人: 王先生,位女士
郵政編碼: 451200
E-MAIL: 1696257948@qq.com
網址:http://www.shouaitao.com/
網址:http://www.shouaitao.com/
柔性密閉防水套管
標簽:該產品可按照客戶要求訂做,如需訂做請向客服提供您的參數表
華豐竭誠為您服務,熱線電話0371-64033589


一、產品介紹
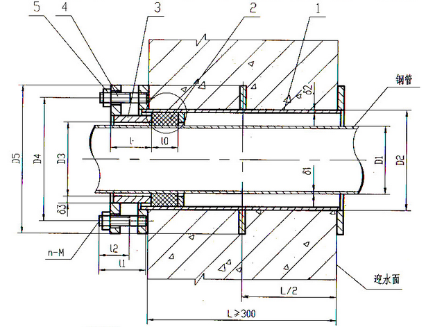
柔性密閉防水套管是為了解決有些地下工程需要管路穿墻而過,而通過處又有嚴密防水要求;還有些構筑物也需要管路穿墻而過,同時又限制管路不能因溫度變化或外力產生伸縮和位移,更不允許管路在外在因素作用下產生振動而設計制作的。它的外殼一次性澆注在墻壁上,管子從套管中間通過,管子外徑與套管中間用填料密封,起到了防水和減振作用。
二、 防水套管說明
1、柔性填料材料:瀝青麻絲、聚苯乙稀板、聚氯乙稀泡沫塑料板。
2、密封膏、聚硫密封膏、聚氨脂密封膏。
3、套管穿墻處如遇非混凝土墻時,應局部改用混凝土墻壁,其澆注范圍應比翼環直徑大200mm,而且必須將套管一次澆固于墻內。
4、穿管處混凝土墻厚小于300,否則應使墻壁一邊加厚或兩邊加厚。加厚部分的直徑至少比翼環直徑大200mm.
5、套管的重量L=300計算,如墻厚大于300時,應另行計算。
6、柔性防水套管可根據用戶需要制作S312或者S404標準,訂貨時請注明管外徑及適用墻厚。
三、 適用范圍:
適用于人防,地下工程,化工,鋼鐵,自來水,污水處理等管路穿墻壁要求嚴密防水之處。
DN | D1 | D2 | D3 | D4 | D5 | Ⅰ | 10 | Ⅰ1 | I2 | D1 | D2 | D3 | n-M | A型重量(kg) | B型重量(kg) | |||
Ⅰ型 | Ⅱ型 | Ⅰ型 | Ⅱ型 | Ⅰ型 | Ⅱ型 | |||||||||||||
50 | 60 | 95 | 65 | 145 | 200 | 65 | 28 | / | 72 | 30 | 3.5 | 4 | 8 | 4-M12 | 14.4 | / | 14.6 | / |
65 | 76 | 114 | 80 | 165 | 220 | 65 | 28 | 25 | 72 | 30 | 3.7 | 4 | 8 | 4-M12 | 16.89 | 17.07 | 17.16 | 17.35 |
80 | 89 | 127 | 95 | 180 | 235 | 65 | 28 | 25 | 76 | 38 | 4 | 4 | 10 | 4-M16 | 21.12 | 21.31 | 21.42 | 21.61 |
100 | 108 | 146 | 114 | 200 | 255 | 65 | 28 | 25 | 76 | 38 | 4 | 4.5 | 10 | 4-M16 | 24.37 | 24.58 | 24.71 | 24.92 |
125 | 133 | 180 | 140 | 235 | 290 | 65 | 28 | 25 | 76 | 38 | 4 | 6 | 10 | 6-M16 | 31.92 | 32.31 | 32.43 | 32.82 |
150 | 159 | 203 | 165 | 260 | 315 | 65 | 28 | 25 | 76 | 38 | 4.5 | 6 | 10 | 6-M16 | 35.77 | 36.17 | 36.31 | 36.72 |
200 | 219 | 265 | 226 | 320 | 375 | 65 | 28 | 25 | 76 | 38 | 6 | 6 | 10 | 6-M16 | 44.69 | 45.29 | 45.29 | 45.87 |
250 | 273 | 325 | 280 | 380 | 435 | 65 | 28 | 25 | 76 | 38 | 8 | 8 | 10 | 8-M16 | 59.41 | 60.22 | 60.43 | 61.33 |
300 | 325 | 377 | 333 | 435 | 495 | 72 | 28 | 30 | 90 | 46 | 10 | 10 | 10 | 8-M20 | 89.37 | 90.02 | 90.35 | 91.14 |
350 | 377 | 426 | 385 | 485 | 545 | 72 | 28 | 30 | 90 | 46 | 10 | 10 | 10 | 8-M20 | 99.74 | 100.3 | 100.7 | 101.5 |
400 | 426 | 480 | 435 | 540 | 600 | 72 | 32 | 30 | 90 | 46 | 10 | 10 | 10 | 12-M20 | 114 | 114.8 | 115.3 | 116.4 |
450 | 480 | 630 | 488 | 590 | 650 | 72 | 32 | 30 | 90 | 46 | 10 | 10 | 10 | 12-M20 | 124.1 | 124.7 | / | / |
500 | 530 | 585 | 538 | 645 | 705 | 72 | 32 | 30 | 90 | 46 | 10 | 10 | 10 | 16-M20 | 139.3 | 140.5 | / | / |
600 | 630 | 690 | 640 | 755 | 820 | 75 | 32 | 30 | 104 | 54 | 10 | 10 | 12 | 16-M24 | 197.2 | 198.2 | / | / |
700 | 720 | 780 | 730 | 845 | 910 | 75 | 40 | 30 | 104 | 54 | 10 | 10 | 12 | 20-M24 | 222.6 | 223.7 | / | / |
800 | 820 | 880 | 830 | 950 | 1020 | 80 | 40 | 40 | 117 | 60 | 10 | 10 | 12 | 20-M27 | 280 | 282.3 | / | / |
900 | 920 | 980 | 930 | 1050 | 1120 | 80 | 40 | 40 | 117 | 60 | 10 | 10 | 12 | 20-M27 | 309.6 | 312.2 | / | / |
1000 | 1020 | 1080 | 1030 | 1150 | 1220 | 80 | 40 | 40 | 117 | 60 | 10 | 10 | 12 | 24-M27 | 341.1 | 344 | / | / |
更多產品詳情可來電咨詢
聯系人:王先生 13783416000 魏女士 13683712868
上一篇:預埋防水套管
下一篇:02S404型柔性防水套管
版權所有:華豐管道 地址:河南省鞏義市西村開發區 服務熱線:0371-64033589 管理入口E-MAIL: 1696257948@qq.com 手機: 18638168566,13783416000
網站備案/許可證號: 豫ICP備11026537號-5
豫公網安備 41910102000259號 技術支持:鞏義開啟網絡
本網站支持新廣告法,為不影響客戶瀏覽,頁面區域用詞正在排查修改,本店所有頁面絕對化用詞和功能性用詞在此聲明前全部失效,不接受不妥協任何形式的絕對化用詞和功能性用詞賠付,希望各位消費者理解,職業打假人高抬貴手。 網站備案/許可證號: 豫ICP備11026537號-5
